联系我们contact us
- 无锡海锐朗喷泉工程有限公司
- 手机:18861720686
- 联系人:张先生
- 电话:188-6172-0686
- 邮箱:1345450654@qq.com
- 地址:江苏省无锡市和桥镇
加气喷头
来源:本站 发布时间:2022-01-20 访问量:6

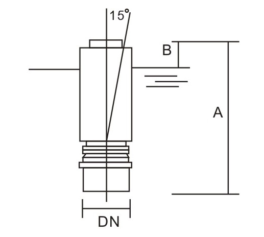
加气喷头也称为掺气喷头、泡沫喷头、吸气喷头等。这种喷头用射流泵的原理,喷水时将空气吸入,以少量的水产生丰满的射流,喷头的水柱呈白色不透明状,反光效果好。调节外套的高度可以改变吸入的空气量,吸入空气越多,水柱的颜色越白,泡沫越细,喷头有球形接头,可绕中心线轴向内15度转动。它适用于室内外的各种喷水池中。

| 喷头型号 | 主要性能 | 连接管 | 安装尺寸 (mm) | |||||
| 水压 (kpa) | 流量 (m³/h) | 喷高 (m) | 喷洒直径 DN(mm) | 直径 DN(mm) | 连接形式 | A | B | |
| Q-309 | 4-6 | 0.50-5.50 | 0.80-4.2 | 0.50 | 25 | 内螺纹 | 30 | +50 |
| Q-106 | 6-10 | 0.50-7.50 | 0-1.2 | 0-1.2 | 50 | 内螺纹 | 00 | +50 |
喷泉喷头:也成喷泉喷嘴全部采用铜或不锈钢制作,这样具有黄金的色彩或银光闪闪,喷头显得豪华气派。其工艺精巧美观,结构合理,性能高效节能。其中常用的有:KT可调直流喷头、BQ半球形喷头、QN牵牛花喷头、SB树冰形喷头、HZ花柱喷头、LH礼花喷头、YQ涌泉喷头、YZ玉柱喷头、XZ旋转喷头、XZ旋转蟹抓兰、BZ扇形喷头、WZ雾状喷头、JQ加气喷头、ZS直上喷头、DX定向水帘喷头、PG蒲公英喷头、KQ孔雀开屏喷头、HX环隙式喷头、GS高射喷头、SM水幕喷头、BM百米喷头、CP草坪喷头等产品系列。
无锡海锐朗喷泉工程有限公司是一家集产品研发、喷泉冷雾设备设计、安装、调试及培训为一体的大型综合性公司,我们欢迎您来电咨询,期待与您的合作!


打印页面
关闭窗口